GR30FA
GR30FA
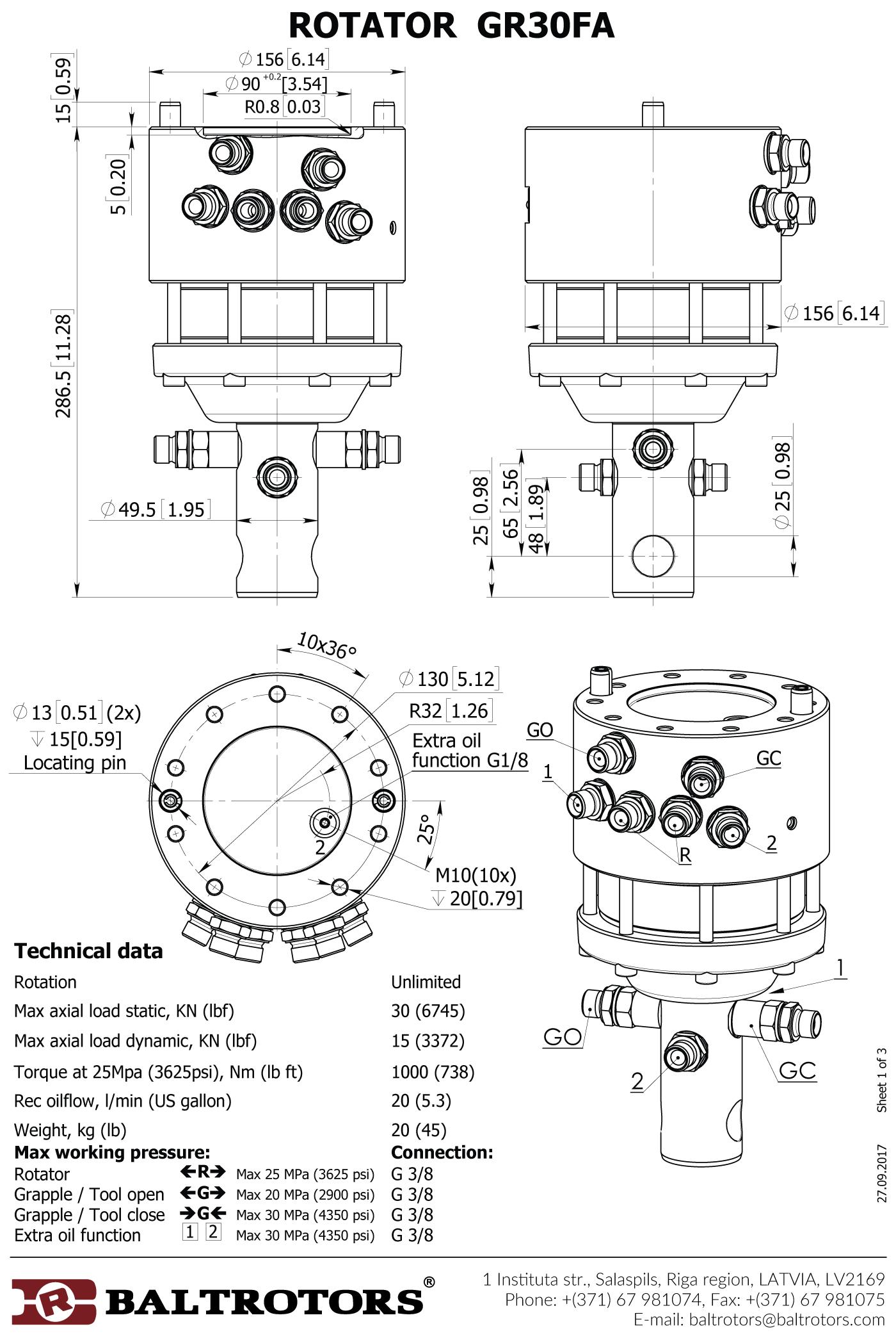
Description
Modification of GR30 rotator with flat upper surface for rigid connection and 2 additional channels for extra tool function.

Upper connection - FLANGE form factor for mounting on crane
Lower connection - AXLE form factor, to be built in grapple/tool.
Technical specification
Dimensions
Compatible products
|
|
Rotation | Unlimited |
|
|
Max. axial load static | 30 kN (6745 lbf) |
|
|
Max. axial load dynamic | 15 kN (3372 lbf) |
|
|
Torque | 1000 Nm (738 lb ft) |
|
|
Rec. oilflow | 20 l/min (5.3 US gallon) |
|
|
Weight | 20 kg (45 lb) |
|
|
Upper connection L | - (-) |
|
|
Upper connection D | - (-) |
|
|
Lower Axle d & hole D | |
|
|
Lower Flange d x pos & bolt hole D | |
|
|
Warranty | 2 years |