GPRA5
GPRA5
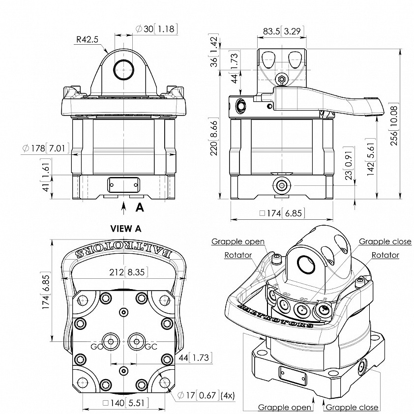
Description
Special geometry of piston waves for higher torque.
Needle and slide bearings for both positive and negative loads. Built-in relief valves for long service life.
The GPRA5 rotates and positions the cargo in a precise and controlled manner.
Specially designed hydraulic rotation system ensures that once the rotator stops, the cargo is secured and firmly held in position.



Upper connection - EYE form factor of the knuckle joint.
Lower connection - FLANGE form factor, to be mounted on the grapple/tool.
Technical specification
Dimensions
Compatible products
|
|
Rotation | Unlimited |
|
|
Max. axial load static | 50 kN (11240 lbf) |
|
|
Max. axial load dynamic | 25 kN (5621 lbf) |
|
|
Torque | 1100 Nm (811 lb ft) |
|
|
Rec. oilflow | 9 l/min |
|
|
Weight | 36 kg |
|
|
Upper connection L | 83.5 mm (3.29 in) |
|
|
Upper connection D | 30 mm (1.18 in) |
|
|
Lower Axle d & hole D | |
|
|
Lower Flange d x pos & bolt hole D | |
|
|
Warranty | 1 year |