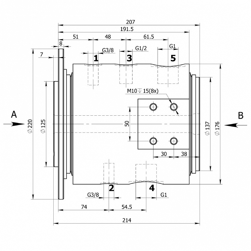
K5
K5
Apraksts
ROTARY MANIFOLD FOR GENERAL CARGO, FORESTRY AND MARINE CRANES
Baltrotors Team has long term experience to develop any custom solutions in collaboration with our customers according to specific needs, working conditions or applications.
Rotary manifold K5 is develloped in collaboration with PALFINGER GROUP
Tehniskie rādītāji
Izmēri
Saderīgie produkti